| পরিবেষ্টিত তাপমাত্রা | -55℃~105℃ |
| টোরেন্স | J:±5%;K:±10%;M:±20% |
| ভোল্টেজ প্রুফ | 1.5ইউ আর |
| অপচয় ফ্যাক্টর | ≤0.01 (20℃,1kHz) |
| অন্তরণ প্রতিরোধের | ≥7500MΩ, সি আর ≤0.33μF ≥2500s,C আর ≤0.33μF(20℃,100V,1min) |
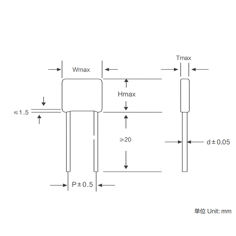
| ক্যাপ | 250V | 400V | ক্যাপ | 250V | 400V | ||||||||||||
| ডব্লিউ | এইচ | টি | পৃ | ডব্লিউ | এইচ | টি | পৃ | ডব্লিউ | এইচ | টি | পৃ | ডব্লিউ | এইচ | টি | পৃ | ||
| 102 | 6.5 | 6.4 | 3.4 | 5 | 6.5 | 6.4 | 3.4 | 5 | 473 | 11.6 | 7.5 | 4.5 | 10 | 11.6 | 7.5 | 4.5 | 10 |
| 122 | 6.5 | 6.5 | 3.5 | 5 | 6.5 | 6.5 | 3.5 | 5 | 563 | 9 | 8.5 | 3.8 | 7.5 | 9 | 8.5 | 3.8 | 7.5 |
| 152 | 6.5 | 6.6 | 3.6 | 5 | 6.5 | 6.6 | 3.6 | 5 | 563 | 11.6 | 8 | 3.9 | 10 | 11.6 | 8 | 3.9 | 10 |
| 182 | 6.5 | 6.7 | 3.7 | 5 | 6.5 | 6.7 | 3.7 | 5 | 683 | 6.5 | 8 | 5 | 5 | 6.5 | 8 | 5 | 5 |
| 222 | 6.5 | 6.4 | 3.2 | 5 | 6.5 | 6.4 | 3.2 | 5 | 683 | 9 | 7.5 | 3.8 | 7.5 | 9 | 7.5 | 3.8 | 7.5 |
| 272 | 6.5 | 6.6 | 3.3 | 5 | 6.5 | 6.6 | 3.3 | 5 | 683 | 11.6 | 8.3 | 4.2 | 10 | 11.6 | 8.3 | 4.2 | 10 |
| 332 | 6.7 | 7 | 3.8 | 5 | 6.7 | 7 | 3.8 | 5 | 823 | 9 | 8 | 3.9 | 7.5 | 9 | 8 | 3.9 | 7.5 |
| 472 | 6.7 | 7.7 | 4.5 | 5 | 6.7 | 7.7 | 4.5 | 5 | 823 | 11.6 | 8.7 | 4.7 | 10 | 11.6 | 8.7 | 4.7 | 10 |
| 472 | 9 | 6 | 3 | 7.5 | 9 | 6 | 3 | 7.5 | 104 | 9 | 6.8 | 3.8 | 7.5 | 9 | 6.8 | 3.8 | 7.5 |
| 562 | 9 | 6.4 | 3.5 | 7.5 | 9 | 6.4 | 3.5 | 7.5 | 104 | 11.6 | 8 | 3.5 | 10 | 11.6 | 8 | 3.5 | 10 |
| 562 | 9 | 6.6 | 3.7 | 7.5 | 9 | 6.6 | 3.7 | 7.5 | 124 | 9 | 7.1 | 4.1 | 7.5 | 9 | 7.1 | 4.1 | 7.5 |
| 682 | 9 | 6.5 | 3.8 | 5 | 6.5 | 6.5 | 3.8 | 5 | 124 | 11.6 | 7.6 | 3.8 | 10 | 11.6 | 7.6 | 3.8 | 10 |
| 822 | 9 | 6 | 3 | 7.5 | 9 | 6 | 3 | 7.5 | 144 | 9 | 8.5 | 3.7 | 7.5 | ||||
| 103 | 6.5 | 7 | 4 | 5 | 6.5 | 7 | 4 | 5 | 154 | 9 | 8.5 | 3.7 | 7.5 | 9 | 8.6 | 4.4 | 7.5 |
| 103 | 9 | 7 | 4 | 7.5 | 9 | 7 | 4 | 7.5 | 154 | 11.6 | 7.9 | 4 | 10 | 11.6 | 7.9 | 4 | 10 |
| 123 | 6.5 | 7 | 4 | 5 | 6.5 | 7 | 4 | 5 | 224 | 9 | 9.2 | 4 | 7.5 | 9 | 10.8 | 5.2 | 7.5 |
| 123 | 9 | 7 | 4 | 7.5 | 9 | 7 | 4 | 7.5 | 224 | 11.6 | 7.2 | 4 | 10 | 11.6 | 9 | 5 | 10 |
| 153 | 6.5 | 6.5 | 4 | 5 | 6.5 | 6.5 | 4 | 5 | 274 | 9 | 9.5 | 4.7 | 7.5 | 9.5 | 10.5 | 6.6 | 7.5 |
| 153 | 9 | 6.8 | 4 | 7.5 | 9 | 6.8 | 4 | 7.5 | 274 | 11.6 | 8 | 4.2 | 10 | 11.6 | 10.1 | 5 | 10 |
| 223 | 6.5 | 7 | 3.7 | 5 | 6.5 | 7 | 3.7 | 5 | 334 | 9 | 10 | 5.2 | 7.5 | 9.5 | 11.5 | 7 | 7.5 |
| 223 | 9 | 6.7 | 3.5 | 7.5 | 9 | 6.7 | 3.5 | 7.5 | 334 | 11.6 | 8.5 | 4.7 | 10 | 11.6 | 10.7 | 6 | 10 |
| 273 | 6.5 | 7.3 | 4 | 5 | 6.5 | 7.3 | 4 | 5 | 394 | 11.6 | 9.4 | 4.7 | 10 | 11.6 | 11.2 | 6.5 | 10 |
| 333 | 6.5 | 6.5 | 3.5 | 5 | 6.5 | 6.5 | 3.5 | 5 | 474 | 11.6 | 11.4 | 4.8 | 10 | 11.6 | 11.8 | 6.3 | 10 |
| 333 | 6.5 | 6.5 | 3.6 | 7.5 | 9 | 6.5 | 3.6 | 7.5 | 564 | 11.8 | 11.6 | 5 | 10 | ||||
| 393 | 9 | 7.5 | 4 | 7.5 | 9 | 7.5 | 4 | 7.5 | 684 | 11.8 | 12 | 5.7 | 10 | 16.7 | 12 | 7.2 | 15 |
| ক্যাপ | 100V | 450V | ক্যাপ | 100V | 450V | ||||||||||||
| ডব্লিউ | এইচ | টি | পৃ | ডব্লিউ | এইচ | টি | পৃ | ডব্লিউ | এইচ | টি | পৃ | ডব্লিউ | এইচ | টি | P | ||
| 102 | 6.5 | 6.4 | 3.4 | 5 | 273 | 6.5 | 7.3 | 4 | 5 | ||||||||
| 122 | 6.5 | 6.5 | 3.5 | 5 | 333 | 6.5 | 6.5 | 3.5 | 5 | 9 | 6.5 | 3.6 | 7.5 | ||||
| 152 | 6.5 | 6.6 | 3.6 | 5 | 393 | 9 | 7.5 | 4 | 7.5 | ||||||||
| 182 | 6.5 | 6.7 | 3.7 | 5 | 473 | 6.5 | 7.5 | 4 | 5 | 9 | 6.5 | 3.5 | 7.5 | ||||
| 222 | 6.5 | 6.4 | 3.2 | 5 | 563 | 9 | 8.5 | 3.8 | 7.5 | ||||||||
| 272 | 6.5 | 6.6 | 3.3 | 5 | 683 | 6.5 | 8 | 5 | 5 | 9 | 7.5 | 3.8 | |||||
| 332 | 6.7 | 7 | 3.8 | 5 | 683 | 9 | 9.2 | 4.4 | 7.5 | ||||||||
| 472 | 6.7 | 7.7 | 4.5 | 5 | 9 | 6 | 3 | 7.5 | 823 | 9 | 8 | 3.9 | 7.5 | 9 | 8 | 3.9 | 7.5 |
| 562 | 6.7 | 8 | 4.8 | 5 | 9 | 6.2 | 3.2 | 7.5 | 104 | 9 | 6.8 | 3.8 | 7.5 | 9 | 9 | 4.3 | 7.5 |
| 682 | 9 | 6.4 | 3.5 | 7.5 | 124 | 9 | 7.1 | 4.1 | 7.5 | 9 | 9.2 | 4.6 | 7.5 | ||||
| 822 | 9 | 6.6 | 3.7 | 7.5 | 154 | 9 | 8.5 | 3.7 | 7.5 | 9 | 9.5 | 5 | 7.5 | ||||
| 103 | 6.5 | 6.5 | 3.8 | 5 | 9 | 6 | 3 | 7.5 | 224 | 9 | 9.2 | 4 | 7.5 | 9 | 11 | 5.6 | 7.5 |
| 123 | 6.5 | 7 | 4 | 5 | 9 | 7 | 4 | 7.5 | 274 | 9 | 9.5 | 4.7 | 7.5 | 9 | 11.8 | 7 | 7.5 |
| 153 | 6.5 | 6.5 | 4 | 5 | 9 | 6.8 | 4 | 7.5 | 334 | 9 | 10 | 5.2 | 7.5 | 11.8 | 12.8 | 6.6 | 10 |
| 223 | 6.5 | 7 | 3.7 | 5 | 9 | 6.7 | 3.5 | 7.5 | 374 | 11.8 | 13.5 | 7.5 | 10 | ||||
আমরা আপনাকে কাজের দিনের 12 ঘন্টার মধ্যে উত্তর দেব।
আমাদের একটি স্ব-মালিকানাধীন কারখানা রয়েছে, আমাদের নিজস্ব আন্তর্জাতিক বিক্রয় বিভাগও রয়েছে। আমরা নিজেরাই সব উৎপাদন ও বিক্রি করি।
আমরা ফিল্ম ক্যাপাসিটারগুলিতে ফোকাস করি।
আমাদের পণ্যগুলি গৃহস্থালীর যন্ত্রপাতি, বিদ্যুৎ সরবরাহ, বিদ্যুৎ মিটার, আলো, ওয়েল্ডিং মেশিন, রেল ট্রানজিট, বৈদ্যুতিক যানবাহন, পাওয়ার গ্রিড, UPS/EPS, চিকিৎসা সরঞ্জাম, ফটোভোলটাইক ইনভার্টার, বায়ু শক্তি রূপান্তরকারী সহ বিস্তৃত অ্যাপ্লিকেশনগুলিতে ব্যবহৃত হয় আরো.
হ্যাঁ, আমরা গ্রাহকদের অঙ্কন বা নমুনা অনুযায়ী কাস্টমাইজড পণ্য করতে বিশেষজ্ঞ।
ওয়ালসন ইলেকট্রনিক্স 2001 সালে প্রতিষ্ঠিত হয়েছিল, যেখানে R&D, ফিল্ম ক্যাপাসিটরগুলির উত্পাদন, বিক্রয় এবং পরিষেবাতে 20 বছরেরও বেশি অভিজ্ঞতা রয়েছে। Custom CL21X সিরিজের মেটালাইজড পলিয়েস্টার ফিল্ম ক্যাপাসিটর (সাব-মিনিয়েচার) Manufacturers এবং CL21X সিরিজের মেটালাইজড পলিয়েস্টার ফিল্ম ক্যাপাসিটর (সাব-মিনিয়েচার) Factory
আমরা সর্বদা উন্নত অটোমেশন এবং শিল্পায়নের সহযোগিতা মেনে চলি। কোম্পানী দেশীয় এবং বিদেশী অসামান্য উত্পাদন সরঞ্জাম চালু করে চলেছে, যখন স্ব-উন্নত উত্পাদন ব্যবস্থাপনা সফ্টওয়্যার, বৈজ্ঞানিক এবং দক্ষ পরিচালনার জন্য এন্টারপ্রাইজ সহযোগী ব্যবস্থাপনা, 1 বিলিয়ন/বার্ষিক উত্পাদন ক্ষমতা অগ্রগতি অর্জন করেছে এবং একটি সুশৃঙ্খল বৃদ্ধি বজায় রেখেছে।
ওয়ালসন ইলেকট্রনিক্স পণ্যগুলি নতুন শক্তি এবং বিদ্যুৎ শিল্প, ফটোভোলটাইক ইনভার্টার, এলইডি আলো, গৃহস্থালীর যন্ত্রপাতি এবং বিভিন্ন শক্তির উত্স এবং অন্যান্য শিল্প সহ আরও শিল্পকে কভার করেছে।
উদ্ভাবনী প্রযুক্তি, সৎ পরিষেবা এবং পেশাদার মানের ধারণাকে মেনে চলা, ওয়ালসন ইলেকট্রনিক্স ক্রমাগত ক্যাপাসিটর পণ্যগুলিকে এগিয়ে নিয়ে যাচ্ছে এবং উদ্ভাবনী সুবিধার সাথে শিল্পের অগ্রগামী হওয়া নিশ্চিত।
বৈশিষ্ট্য: উন্নত বৈদ্যুতিক সম্পত্তি, উচ্চ নির্... আরও দেখুন
বৈশিষ্ট্য: উন্নত বৈদ্যুতিক সম্পত্তি, উচ্চ নির্... আরও দেখুন
বৈশিষ্ট্য: উন্নত বৈদ্যুতিক সম্পত্তি, উচ্চ নির্... আরও দেখুন
বৈশিষ্ট্য: দ্বি-পার্শ্বযুক্ত ধাতব নির্মাণ,স্ব-... আরও দেখুন
বৈশিষ্ট্য: ডাবল-পার্শ্বযুক্ত ধাতব ইলেক্ট্রোড, ... আরও দেখুন
বৈশিষ্ট্য: ধাতব পলিয়েস্টার ফিল্ম, স্তুপীকৃত ন... আরও দেখুন
বৈশিষ্ট্য: ফিল্ম/ফয়েল, নন-ইন্ডাকটিভ ক্ষতের ধর... আরও দেখুন
বৈশিষ্ট্য: FR-4 epoxy টিউব সিলিন্ডার শেল, শুষ্... আরও দেখুন
পরের সোমবার, ভারত উজ্জ্বল আলো এবং আনন্দের সাগরে নিমজ্জিত, তার একটি গুরুত্বপূর্ণ ঐতিহ্যব...
আরও পড়ুনমেটালাইজড ফিল্ম ক্যাপাসিটারগুলির পরিচিতি আধুনিক পাওয়ার ইলেকট্রনিক্সে, ...
আরও পড়ুনবৈদ্যুতিন সংকেতের মেরু বদল সিস্টেমে পাওয়ার মানের ক্রমবর্ধমান গুরুত্ব যে...
আরও পড়ুনভূমিকা ইলেকট্রনিক উপাদানের ক্রমবর্ধমান আড়াআড়িতে, প্লাস্টিকের ফ...
আরও পড়ুনমিড-অটাম ফেস্টিভ্যাল, যা মুন ফেস্টিভ্যাল নামেও পরিচিত, একটি ঐতিহ্যবাহী চীনা ছুটির দিন য...
আরও পড়ুন
কপিরাইট &কপি; Wuxi Walson Electronics Co., Ltd.  Custom CL21X সিরিজের মেটালাইজড পলিয়েস্টার ফিল্ম ক্যাপাসিটর (সাব-মিনিয়েচার) Manufacturers

